CQB-F氟塑料磁力泵
品牌:开云官方网站·开云登陆入口-开云online(中国)
型号:CQB-F衬氟磁力泵|氟塑料合金磁力泵
流量:1.8~100 m³/h
扬程:8~32 m
电机功率:0.12~18.5 KW
适用介质:可输送任意浓(强)度的酸、碱、氧化剂等有机溶液腐蚀性介质
产品概述
CQB-F型耐腐蚀氟塑料磁力泵(衬氟磁力泵)采用磁力耦合传动,不存在动密封点,因此彻底杜绝了一般轴传动式离心泵轴封处跑、冒、滴、漏的现象。其过流部件采用氟塑料工业陶瓷制成,具有优异的耐腐性及密封性,不老化、无毒素分解等优点。CQB-F型衬氟磁力泵泵体采用铸铁,过流部件为氟塑料(FEP、PTFE、ETFE、PVDF、氟塑料合金)材质的磁力驱动泵,又称为衬氟磁力泵,氟塑料磁力泵可输送任意浓(强)度的酸、碱、氧化剂等腐蚀性介质。
型号意义
产品用途
CQB-F型衬氟磁力泵结构紧凑、外形美观、体积小、噪音低、运行可靠、使用维修方便。可广泛应用于化工、制药、石油、电镀、食品、电影照相洗印、科研机构。国防工业等单位抽送酸、碱液、油类、稀有贵重液、毒液、挥发性液体,以及循环水设备配套、过滤机配套。特别是易漏、易燃、易爆液体的抽送,选用此泵则更为理想。
主要特点
CQB-F型耐腐蚀氟塑料磁力泵(衬氟磁力泵)泵的设计不仅具有普通磁力泵的结构紧凑,外型美观,体积小,躁声低,运行可靠等优点,且其过流部件全部采用目前世界上耐腐蚀性能优秀"塑料王"(氟塑料)制造,隔离套采用特殊材料制造,具有高强度的力学性能,消除了普通磁力泵存在的磁涡流现象。因此,氟塑料磁力泵可输送任意浓(强)度的酸、碱、氧化剂等腐蚀性介质而毫不受损。防漏设计取消了轴封,利用磁力偶合间接驱动,完全消除了滴漏的烦恼,绝不污染使用场地。 分类:目前国内厂家生产的氟塑料磁力泵主要有:CQB型氟塑料磁力泵、ZMD氟塑料自吸式磁力泵 、IMD型氟塑料磁力驱动泵等。由于泵的过流部分选用"氟塑料合金"制造。可连续输送任意浓度的酸、碱、强氧化剂等腐蚀介质而毫不受损。CQB-F氟塑料磁力泵设计独特,无须机械轴封,不渗漏,液体过流部件选用氟塑料,陶瓷、氟橡胶等材料,泵体外壳用金属材料固定,故泵体足以承托管道的重量,使用保养及为方便。
工作原理
CQB-F型耐腐蚀氟塑料磁力泵(简称衬氟磁力泵)是应用现代磁力学原理,利用永磁体实现无接触间接传动的一种化工流程泵。当电机带动外转子(即外磁钢)总成旋转时,通过磁场的作用磁力线穿过隔离套带动内转子(即内磁钢)总成和叶轮同步转,介质完全封闭在静止的隔离套内,从而达到无泄漏抽送介质的目的,彻底解决了机械传动泵的轴封泄漏,是全密封、无泄漏、无污染的新型工业泵。 磁力泵是化工流程中杜绝跑、冒、滴、漏现象,消除环境污染,创造"无泄漏车间"、 "无泄漏工厂,实现安全、文明生产的理想用泵。
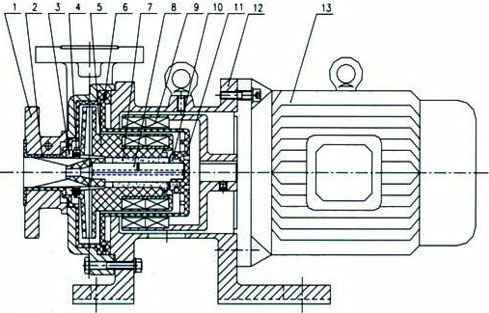
结构图
| 1 | 进口法兰 | 2 | 泵体衬套 | 3 | 静环 | 4 | 动环 |
| 5 | 叶轮、内磁钢总成 | 6 | 密封圈 | 7 | 轴承 | ||
| 8 | 泵轴 | 9 | 外磁钢总成 | 10 | 止推环 | 11 | 隔离套 |
| 12 | 联接架 | 13 | 电机 | ||||
技术参数
| 型号 | 口径(mm) |
流量 m³/h |
扬程 m |
电机功率 KW |
|
|---|---|---|---|---|---|
| 进口 | 出口 | ||||
| CQB15-10-85F | 15 | 15 | 1.8 | 8 | 0.12 |
| CQB20-15-105F | 25 | 18 | 3 | 12 | 0.37 |
| CQB32-25-125F | 32 | 25 | 3.2 | 20 | 0.75 |
| CQB32-25-145F | 32 | 25 | 3.2 | 25 | 0.75 |
| CQB40-32-115F | 40 | 32 | 6.3 | 15 | 0.75 |
| CQB40-32-145F | 40 | 32 | 6.3 | 25 | 1.5 |
| CQB40-32-160F | 40 | 32 | 6.3 | 32 | 2.2 |
| CQB50-40-125F | 50 | 40 | 12.5 | 20 | 2.2 |
| CQB50-40-160F | 50 | 40 | 12.5 | 32 | 3 |
| CQB65-50-125F | 65 | 50 | 25 | 20 | 3 |
| CQB65-50-160F | 65 | 50 | 25 | 32 | 5.5 |
| CQB80-65-125F | 80 | 65 | 50 | 20 | 7.5 |
| CQB80-65-160F | 80 | 65 | 50 | 32 | 11 |
| CQB100-80-125F | 100 | 80 | 100 | 20 | 11 |
| CQB100-80-160F | 100 | 80 | 100 | 32 | 18.5 |
| 注:表中CQB32-25-125F~CQB100-80-160F都可配防爆电机 | |||||
安装使用与维护
1、泵使用前应进行检查,电机风叶转动要灵活,无卡住无异常声响,各紧固件要紧固。2、CQB-F型衬氟磁力泵电机启动后,缓慢打开排出阀,待泵进入正常工作状态后,再将排出阀调到所需开度。
3、CQB-F型氟塑料磁力泵应水平安装,不宜竖立,泵体不得承受管路重量,对于特殊要求垂直安装的场合,电机务必朝上。
4、检查CQB-F型衬氟磁力泵电机旋转方向是否与磁力泵转向标记一致。
5、当抽吸液面高于CQB-F型氟塑料磁力泵轴心线时,起动前打开吸入管道阀门即可,若抽吸液面低于泵轴心线时,管道需配备底阀。
6、CQB-F2型衬氟磁力泵停止工作前,应先关闭排出阀门,然后关闭吸入管阀门。
产品地址:http://www.cndjb.cn/clb/pro-70.html
转载注明:欢迎转载!转载请注明本产品地址。
免责声明:本产品信息,由开云官方网站·开云登陆入口-开云online(中国)整理发表,部分文章信息来源于网络以及网友投稿,不代表本站观点,如您对文章有任何意见欢迎在下方评论处与我们互动沟通。如本站文章和转稿涉及版权等问题,请作者在及时联系本站,我们会尽快处理。